Single-channel Photon Counting Software

 

            These routines configure the two 6025E counters as follows; one counter is configured as a buffered event counter, and counts the APD pulses from the selected APD. The counter increments until it receives a pulse on its "gate". The value is read to a buffer and the cycle continues until the buffer is full. The gate pulses come from the 2nd counter, which is configured as a pulse train generator. The pulse spacing is determined by your selection of bin time and the internal clock on the 6025E. Finally, the buffer size is the number of bins (pixels) in a line, calculated from the X distance, the X resolution, plus any additional pixels deemed necessary from offset analysis. This gives the counts per pixel on a line. Download Routines

 

One limitation of this software is that only one detector (A or B), but not both at the same time can be used for counting. There are only 2 counters on the 6025E, and one is used as the bin time clock while the other is the photon counter. To count both channels with this board, an alternative bin timing source is needed. We use a custom external timer as our source (although the board’s “FREQ_OUT” pin may be a suitable choice for some applications). A better choice for multiple channel acquisition is the 660X series of boards.

 

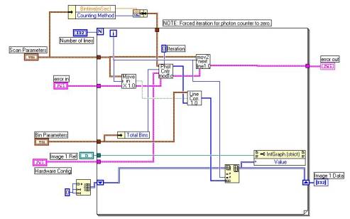
Below is a screenshot of a simple scanning algorithm using the single channel photon counting routine (the “Phot Cntr Mod1c” box in the diagram). The program first executes the stage X-axis move command, then starts photon count acquisition. An offset correction algorithm is run on the line’s data (the "Line Correction" VI in the diagram screenshot), and the stage is then moved up to the next line for another round of acquisition.

 

There is a certain amount of delay before the stage moves, due to the RS-232 communication via the operating system. This is reasonably constant and independent of stage velocity setting. There is also a more complex velocity-dependent offset due to stage ramp-up time that is negligible below around 20 to 50 microns/second. These offsets require extra photon bins (pixels) to be acquired and later deleted from the line data. We measure these offsets by photobleaching lines in a uniform sample of surface-attached fluorophors (BSA-Biotin plus Streptavidin-CY3) using a manual mode of stage control. Then scans are acquired at different stage velocities and deviations from the true positions are measured. Stage controller interface options/upgrades are now available from Polytec PI  that allow for much higher positioning accuracy than attainable with this algorithm.

 

   

 

Back to Instrument Software.